NKG陶瓷晶振,S6GA27.0000F16E25-EXT,S6GA視頻晶振,27MHZ,6035mm,NKG晶體諧振器,貼片陶瓷晶振,NKG CRYSTAL,無源SMD晶振,無源晶振,陶瓷諧振器,6035mm微型晶體,SMD晶振,27MHZ兩腳貼片晶體,尺寸6.0x3.5mm,頻率27MHZ,負載16pF,無鉛晶振,低成本晶振,低損耗晶振,機頂盒晶振,電視機晶振,辦公自動化晶振,計算機外圍設備晶振,音頻專用晶振.
NKG陶瓷晶振,S6GA27.0000F16E25-EXT,S6GA視頻晶振,27MHZ,6035mm特點:
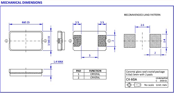
小包裝陶瓷晶振尺寸6.0 x 3.5 x 1.2毫米,帶2個襯墊。
普通接縫密封包裝的低成本替代品。
符合RoHS豁免規定。
NKG陶瓷晶振,S6GA27.0000F16E25-EXT,S6GA視頻晶振,27MHZ,6035mm 參數表
| Parameter | Symbol | Specifications | Remarks | |||||||||
| Frequency range | FN | 27.0MHz |
Fundamental up to 50MHz 3rd overtone above 40MHz |
|||||||||
| Cut and operation mode | — | At-Cut / FUND or 3rd OT | ||||||||||
| Frequency tolerance | Δf/f | ±20ppm, ±30ppm, ±50ppm | Other options available | |||||||||
| Stability over operating temp. | TC | ±20ppm, ±30ppm, ±50ppm |
Depending on operating temperature range |
|||||||||
| Operating temperature range | TOP | – 20°C ~+70°C or –40°C ~+85°C | Other options available | |||||||||
| Load capacitance | CL | 8 to 32pF or SERIES | Please specify load capacitance | |||||||||
| Equivalent series resistance | ESR |
80Ω MAX 60Ω MAX 50Ω MAX 40Ω MAX 100? MAX |
FUND mode FUND mode FUND mode FUND mode 3rd OT mode |
8 ~ 10MHz 10 ~ 16MHz 16 ~ 20MHz 20 ~ 50MHz 40 ~ 100MHz |
||||||||
| Drive level | DL | 100µW TYP,300µW MAX | — | |||||||||
| Aging first year | Δf/y1 | ±3ppm | @+25°C | |||||||||
NKG陶瓷晶振,S6GA27.0000F16E25-EXT,S6GA視頻晶振,27MHZ,6035mm尺寸圖





愛普生晶振,貼片晶振,FC-135晶振,FC-135R晶振,Q13FC1350000400晶振
愛普生晶振,貼片晶振,FA-238A晶振
ELM3-12.000MHz-30-R80-D4Y-T,5032mm,AEL兩腳貼片晶振
ELM10-16.000MHz-8-R60-2-D20-T,ELM10,16MHz,2520mm,AEL品牌
7015mm,ELS13-32.768kHz-T,ELS13,32.768KHz,AEL電話機晶振
TS24CF23CDT,ATSSMTS,24.576MHz,CTS微處理器晶振
SXT53410AB17-25.000M,SUNTSU無線應用晶振,5032mm無源晶振
ELLS-12.000MHz-18-R60-A-4-F-T,AEL品牌晶振,SMD石英晶體
E1SAA12-30.000M TR,Ecliptek石英晶體諧振器,橢圓形晶振