86-0755-27838351

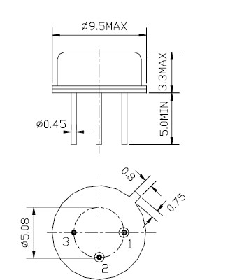
頻率:433.92MHZ
尺寸:9.5x3.3mm
深圳市康華爾電子有限公司:晶振廠家企業在國內壓電石英晶振行業生產經營二十多年,早期產品基本用于出口,在 2006年轉向國內市場銷售,公司在05年自購土地新建工業園,全線投入貼片晶振自動化生產領域,公司主要生產:石英晶振,貼片晶振, 音叉晶體,32.768K晶振,聲表面諧振器,聲表面濾波器,陶瓷晶振,貼片晶振.并且自主研發生產,陶瓷霧化片,微孔霧化片.公司用于國內外多家知名企業的晶振廠家合作供應,并且與日本幾大進口晶振品牌簽訂 了代理服務.
公司同時從日本、韓國、美國、 引進現代化生產設備、機器人檢測設備、代替人工%60,全系列電腦全自動化檢測設備,生產全過程 在淨化環境下完成;同時公司擁有占員工總數10%的工程技術人員,在于2006年成立研發中心;并用 于自己品牌(KON),公司在2001年通過ISO9002認証并注冊。
聲表面濾波器,SAW濾波器,TO-39濾波器,聲表濾波器的作用是將射頻訊號轉換成聲波訊號,經過一段距離傳遞之后,再將接收之聲波訊號轉換成所需的射頻訊號,隨著新材料的應用,小型化與模組化的發展趨勢,產品未來的價格與品質將受到更大的挑戰。 聲表面波是一種性質相當獨特的機械波,當它沿著晶體表面行進時,在垂直晶體表面,能量會以指數形式衰減,而當其深入超過一個波長深度時,能量密度則降為表面時的十分之一,因此這種波在晶體表面行進時,最主要的優點就是能量能夠集中于表層。這種獨特的性質,使得表面波元件可以很容易地運用其所攜帶之能量。
SAW濾波器在抑制電子信息設備高次諧波、鏡像信息、發射漏泄信號以及各類寄生雜波干擾等方面起到良好的作用,可以實現任意所需精度的幅頻和相頻特性的濾波,這是其它濾波器難以完成的.近年來國外已將SAW濾波器片式化,重量只有0.2g;另外,由于采用了新的晶體材料和最新的精細加工技術,使SAW器件上使用上限頻率提高到2.5GHz~3GHz.從而促使SAW濾波器在抗EMI領域獲得更廣泛的應用.
1:抗沖擊
抗沖擊是指晶振產品可能會在某些條件下受到損壞.例如從桌上跌落,摔打,高空拋壓或在貼裝過程中受到沖擊.如果產品已受過沖擊請勿使用.因為無論何種石英晶振,其內部晶片都是石英晶振制作而成的,高空跌落摔打都會給晶振照成不良影響.
2:輻射
將貼片晶振暴露于輻射環境會導致產品性能受到損害,因此應避免陽光長時間的照射.
3:化學制劑 / pH值環境
請勿在PH值范圍可能導致腐蝕或溶解石英貼片晶振或包裝材料的環境下使用或儲藏這些產品.聲表面濾波器,SAW濾波器,TO-39濾波器
4:粘合劑
請勿使用可能導致石英晶振所用的封裝材料,終端,組件,玻璃材料以及氣相沉積材料等受到腐蝕的膠粘劑.(比如,氯基膠粘劑可能腐蝕一個晶振的金屬“蓋”,從而破壞密封質量,降低性能.)
5:鹵化合物
請勿在鹵素氣體環境下使用晶振.即使少量的鹵素氣體,比如在空氣中的氯氣內或封裝所用金屬部件內,都可能產生腐蝕.同時,請勿使用任何會釋放出鹵素氣體的樹脂.
6:靜電
過高的靜電可能會損壞貼片晶振,請注意抗靜電條件.請為容器和封裝材料選擇導電材料.在處理的時候,請使用電焊槍和無高電壓泄漏的測量電路,并進行接地操作.
電話:+86-0755-278383514
手機:138-2330-0879
QQ:632862232
地址:廣東深圳市寶安寶安大道東95號浙商銀行大廈1905