86-0755-27838351
頻率:4MHZ
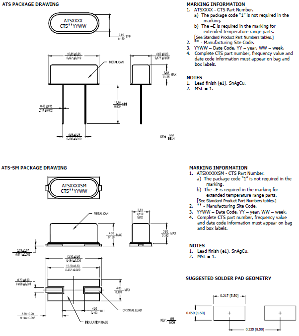
尺寸:11.1*4.8mm
CTS晶振,ATS-SM晶振,無源貼片晶振.普通貼片石英晶振外觀使用金屬材料封裝的,具有高穩定性,高可靠性的石英晶體諧振器,晶振外觀本身使用金屬封裝,充分的密封性能,可確保其高可靠性,采用編帶包裝,外包裝采用朔膠盤,可在自動貼片機上對應自動貼裝等優勢.
CTS公司成立于1896,是航空航天、通信、國防、工業、信息技術、醫療和運輸市場的OEM、傳感器、無線產品和電子元器件的主要設計者和制造商.公司在北美洲、亞洲和歐洲設有12個生產基地,專注于為全球的工業伙伴提供先進的技術、卓越的客戶服務和卓越的價值.CTS的目標是在技術的最前沿,提供創新的傳感,連接和運動解決方案,以創造和推進世界各地的產品和服務.
貼片晶振晶片邊緣處理技術:貼片晶振是晶片通過滾筒倒邊,主要是為了去除石英晶振晶片的邊緣效應,在實際操作中機器運動方式設計、滾筒的曲率半徑、滾筒的長短、使用的研磨砂的型號、多少、填充物種類及多少等各項設計必須合理,有一項不完善都會使晶振晶片的邊緣效應不能去除,而石英晶振晶片的諧振電阻過大,用在電路中Q值過小,從而電路不能振動或振動了不穩定.
|
CTS晶振規格 |
單位 |
ATS-SM晶振 |
石英晶振基本條件 |
|
標準頻率 |
f_nom |
4MHZ |
標準頻率 |
|
儲存溫度 |
T_stg |
-40°C ~ +85°C |
裸存 |
|
工作溫度 |
T_use |
-20°C ~ +85°C |
標準溫度 |
|
激勵功率 |
DL |
100,1000μW Max. |
推薦:100,1000μW |
|
頻率公差 |
f_— l |
±30× 10-6 (標準), |
+25°C 對于超出標準的規格說明,
請聯系我們以便獲取相關的信息,http://www.yaohuifushi.cn
|
|
頻率溫度特征 |
f_tem |
±50 × 10-6/-20°C ~ +70°C |
超出標準的規格請聯系我們. |
|
負載電容 |
CL |
12pF,16PF,18PF,20PF |
不同負載電容要求,請聯系我們. |
|
串聯電阻(ESR) |
R1 |
如下表所示 |
-40°C — +85°C, DL = 100μW |
|
頻率老化 |
f_age |
±3 × 10-6 / year Max. |
+25°C,第一年 |
超聲波清洗
(1)使用AT-切割晶體和聲表面濾波器(SAW)/聲表面諧振器的產品,可以通過超聲波進行清洗.但是,在某些條件下, 晶振特性可能會受到影響,而且內部線路可能受到損壞.確保已事先檢查系統的適用性.
(2)使用音叉晶體和陀螺儀傳感器的產品無法確保能夠通過超聲波方法進行清洗,因為晶振可能受到破壞.
(3)請勿清洗開啟式晶振產品
(4)對于可清洗晶振產品,應避免使用可能對產品產生負面影響的清洗劑或溶劑等.
(5)焊料助焊劑的殘留會吸收水分并凝固.這會引起諸如位移等其它現象.這將會負面影響產品的可靠性和質量.請清理殘余的助焊劑并烘干PCB.
耐焊性:
將晶振加熱包裝材料至+150°C以上會破壞產品特性或損害產品.如需在+150°C以上焊接石英晶振,建議使用SMD晶振產品.在下列回流條件下,對石英晶振產品甚至SMD貼片晶振使用更高溫度,會破壞晶振特性.建議使用下列配置情況的回流條件.安裝這些貼片晶振之前,應檢查焊接溫度和時間.同時,在安裝條件更改的情況下,請再次進行檢查.如果需要焊接的晶振產品在下列配置條件下進行焊接,請聯系我們以獲取耐熱的相關信息.
存儲事項
(1) 在更高或更低溫度或高濕度環境下長時間保存晶振時,會影響頻率穩定性或焊接性.請在正常溫度和濕度環境下保存這些高精密石英晶振產品,并在開封后盡可能進行安裝,以免長期儲藏.
正常溫度和濕度:
溫度:+15°C 至 +35°C,濕度 25 % RH 至 85 % RH(請參閱“測試點JIS C 60068-1 / IEC 60068-1的標準條件”章節內容).
(2) 請仔細處理內外盒與卷帶.外部壓力會導致卷帶受到損壞.



電話:+86-0755-278383514
手機:138-2330-0879
QQ:632862232
地址:廣東深圳市寶安寶安大道東95號浙商銀行大廈1905