86-0755-27838351

頻率:26MHZ
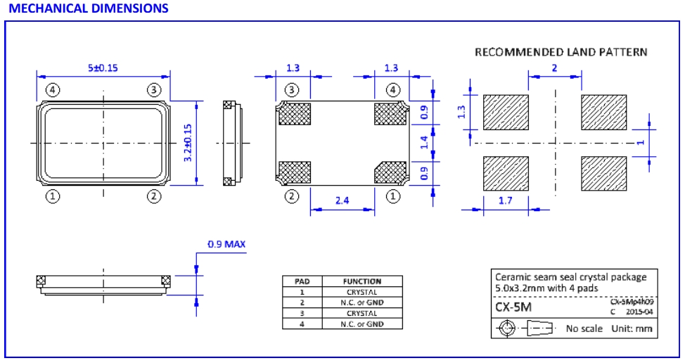
尺寸:5.00x3.20mm
S5M26.0000F10M2Y-EXT-NKG無源貼片晶體-6G移動通信晶振,尺寸5.00x3.20mm,頻率26MHZ,NKG高質量晶振,無源晶體,超小型晶振,輕薄型晶振,石英貼片晶振,SMD晶振,石英晶體諧振器,26MHZ無源晶振,無源諧振器,微處理器專用晶振,無線網絡晶振,藍牙專用晶振,智能家居專用晶振,平板電腦貼片晶振,智能音響晶振,移動通信晶振,無線局域網專用晶振,調制解調器晶振,6G移動通信晶振,便攜式設備晶振,6G無線晶振,小型設備晶振,低損耗石英晶振,高精度晶振,高品質晶振,低功耗晶振,產品具備低損耗高品質的特點.
石英晶體產品適用于非常超級廣泛,更加適合用于微處理器,網絡設備,無線局域網、調制解調器,移動通信,便攜式設備等領域.S5M26.0000F10M2Y-EXT-NKG無源貼片晶體-6G移動通信晶振.
S5M26.0000F10M2Y-EXT-NKG無源貼片晶體-6G移動通信晶振,尺寸5.00x3.20mm,頻率26MHZ,NKG高質量晶振,無源晶體,超小型晶振,輕薄型晶振,石英貼片晶振,SMD晶振,石英晶體諧振器,26MHZ無源晶振,無源諧振器,微處理器專用晶振,無線網絡晶振,藍牙專用晶振,智能家居專用晶振,平板電腦貼片晶振,智能音響晶振,移動通信晶振,無線局域網專用晶振,調制解調器晶振,6G移動通信晶振,便攜式設備晶振,6G無線晶振,小型設備晶振,低損耗石英晶振,高精度晶振,高品質晶振,低功耗晶振,產品具備低損耗高品質的特點.
石英晶體產品適用于非常超級廣泛,更加適合用于微處理器,網絡設備,無線局域網、調制解調器,移動通信,便攜式設備等領域.S5M26.0000F10M2Y-EXT-NKG無源貼片晶體-6G移動通信晶振.
S5M26.0000F10M2Y-EXT-NKG無源貼片晶體-6G移動通信晶振 參數表
| Parameter | Symbol | Specifications | Remarks | |||||||||
| Frequency range | FN | 26.0MHz |
Fundamental up to 55MHz 3rd overtone above 40MHz |
|||||||||
| Cut and operation mode | — | AT-Cut / FUND or 3rd OT | ||||||||||
| Frequency tolerance | Δf/f | ±10ppm, ±20ppm, ±30ppm, ±50ppm | Other options available | |||||||||
| Stability over operating temp. | TC | ±10ppm, ±25ppm, ±50ppm, ±100ppm |
Depending on operating temperature range, other options available |
|||||||||
| Operating temperature range | TOP |
– 20°C ~+70°C or –40°C ~+85°C up to –40°C ~ +125°C |
Options available | |||||||||
| Load capacitance | CL | 6 to 32pF or SERIES | Please specify load capacitance | |||||||||
| Equivalent series resistance | ESR |
100Ω ~ 80Ω MAX 80Ω ~ 60Ω MAX 60Ω ~ 40Ω MAX 40Ω ~ 30Ω MAX 100Ω MAX 80Ω MAX |
FUND mode FUND mode FUND mode FUND mode 3rd OT mode 3rd OT mode |
8 ~ 10MHz 10 ~ 16MHz 16 ~ 24MHz 24 ~ 55MHz 40 ~ 60MHz 60 ~ 150MHz |
||||||||
| Drive level | DL | 100µW TYP, 300µW MAX | — | |||||||||
| Aging first year | Δf/y1 | ±3ppm | @+25°C | |||||||||
S5M26.0000F10M2Y-EXT-NKG無源貼片晶體-6G移動通信晶振 尺寸圖
石英貼片晶振產品特性:
小封裝尺寸5.0x3.2x0.8mm毫米,帶4個焊盤。
出色的耐熱和耐沖擊性。
高度可靠的接縫密封包裝和低老化。
更多相關香港NKG石英晶體型號,請咨詢我們!



電話:+86-0755-278383514
手機:138-2330-0879
QQ:632862232
地址:廣東深圳市寶安寶安大道東95號浙商銀行大廈1905