86-0755-27838351

頻率:62.500MHz~220.000MHz
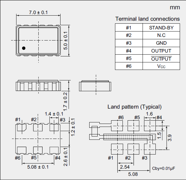
尺寸:7.0*5.0*1.7mm
NDK晶振,高質量石英晶振,7311S振蕩器.貼片式石英晶體振蕩器,低電壓啟動功率,并且有多種電壓供選擇,比如有1.8V,2.5V,3.3V,3.8V,5V等,產品被廣泛應用于,平板筆記本,GPS系統,光纖通道,千兆以太網,串行ATA,串行連接SCSI,PCI-Express的SDH/SONET發射基站等領域.符合RoHS/無鉛.
NDK集團作為頻率的綜合生產企業,為了向客戶提供高信賴性品質的產品,我們始終追求最高品質的進口晶振產品生產和服務,以「通過對客戶的服務,為社會繁榮和世界和平作貢獻」這樣的公司創業理念作為我們的使命,今后也會為社會的[安全?安心?舒適]作出貢獻.請各位繼續給予我們支持!
石英晶振高精度晶片的拋光技術:貼片石英晶振是目前晶片研磨技術中表面處理技術的最高技術,最終使晶振晶片表面更光潔,平行度及平面度更好,降低諧振電阻,提高Q值.從而達到一般研磨所達不到的產品性能,使石英晶振的等效電阻等更接近理論值,使晶振可在更低功耗下工作.使用先進的牛頓環及單色光的方法去檢測晶片表面的狀態.
|
NDK晶振 |
7311S晶振 |
|
輸出類型 |
LVPECL |
|
輸出負載 |
15pF |
|
振蕩模式 |
基本/第三泛音 |
|
電源電壓 |
+3.3V |
|
頻率范圍 |
62.500MHz~220.000MHz |
|
頻率穩定度 |
±25ppm ±50ppm ±100ppm |
|
工作溫度 |
0℃~+70℃ -40℃~+85℃ |
|
保存溫度 |
-55℃~+125℃ |
|
電壓卷(最大值)/ VOH(最小值) |
0.1 VDD / 0.9 VDD |
|
啟動時間 |
5 ms Max |
|
相位抖動(12兆赫~20兆赫) |
1個PS最大 |
|
老化率 |
±3 ppm /年最大 |
有源晶振的負載電容與阻抗
負載電容與阻抗有源晶體振蕩器設置一個規定的負載阻抗值.當一個值除了規定的一個設置為負載阻抗輸出頻率和輸出電平不會滿足時,指定的值這可能會導致問題例如:失真的輸出波形.特別是設置電抗,根據規范的負載阻抗.輸出頻率和輸出電平,當測量輸出頻率或輸出水平,晶體振蕩器調整的輸入阻抗,測量儀器的負載阻抗晶體振蕩器.當輸入阻抗的測量儀器,不同的負載阻抗的晶體振蕩器,測量輸出頻率或輸出水平高,阻抗阻抗測量可以忽略.
輸出負載
建議將石英7050晶振輸出負載安裝在盡可能靠近振蕩器的地方(在20 mm范圍之間).
未用輸入終端的處理
未用針腳可能會引起噪聲響應,從而導致非正常工作.同時,當P通道和N通道都處于打開時,電源功率消耗也會增加;因此,請將未用輸入終端連接到VCC 或GND.
如何正確的使用有源晶振
電處理:
將電源連接到有源晶振指定的終端,確定正確的極性這目錄所示.注意電源的正負電極逆轉或者連接到一個終端以,以為外的指定一個產品部分內的石英進口晶振,假如損壞那將不會工作.此外如果外接電源電壓高于晶振的規定電壓值,就很可能會導致石英時鐘晶體振蕩器產品損壞.所以外接電壓很重要,一定要確保使用正確的額定電壓的振蕩,但如果電壓低于額定的電壓值部分產品將會不起振,或者起不到最佳精度.
機械處理
當有源晶振發生外置撞擊時,任何有源晶體振蕩器在遭到外部撞擊時,或者產品不小心跌落時,強烈的外置撞擊都將會導致晶振損壞,或者頻率不穩定現象.不執行任何強烈的沖擊石英晶體振蕩器.如果一個強大的沖擊已經給振蕩器確保在使用前檢查其特點.
熱影響
重復的溫度巨大變化可能會降低受損害的時計產品晶振產品特性,并導致塑料封裝里的線路擊穿.必須避免這種情況.
電話:+86-0755-278383514
手機:138-2330-0879
QQ:632862232
地址:廣東深圳市寶安寶安大道東95號浙商銀行大廈1905