康華爾電子多年來的發展,公司已擁有一優,秀的團隊,建立了健全的供應系統與服務體系,具備較強的專業生產和配套供應及應變能力。目前公司業務范圍遍及國內十多個省市,與國內多家知名企業建立了良好的合作關系。康華爾電子專業生產銷售,石英晶振,表晶32.768KHZ,陶瓷晶振,貼片晶振,有源晶振,VC-TCXO壓控晶體,恒溫晶振,溫補晶振系列,陶瓷諧振器,SMD陶瓷濾波器,聲表面諧振器,DIP濾波器,SMD聲表面濾波器系列。產品廣泛應用于鐘表、通訊設備、電腦、音響、儀器儀表、家用電器、衛星導航系統、及各種頻率控制設備。本公司和世界多個著名石英晶體元器件廠商有著長期的合作關系,公司于2005年在江西省贛州地區自購土地300畝地新建現代化廠房 ,并成功用于自己的工業園。更名為江西康華:年產石英晶振、陶瓷晶振、濾波器系列產品、上億PCS、60%出口。
康華爾公司同時從日本、韓國、美國、引進現代化生產設備、機器人檢測設備、代替人工%30,全系列電腦全自動化檢測設備,生產全過程在淨化環境下完成;同時公司擁有占員工總數10%的工程技術人員,在于2006年成立研發中心;并用于自己品牌(KON),公司在2001年通過ISO9002認証并注冊。部分產品已注冊國家專利,建立了高效完善的質保體系。我們的質量方針是,以百分之百對客戶負責的態度,不斷提高顧客滿意度。并代理國際一系列進口晶振品牌:日本村田陶瓷晶振(muRata)、日本愛普生(EPSON)、日本大真空(KDS)、日本精工(SEIKO)、西鐵城(CITIZEN)村田muRata
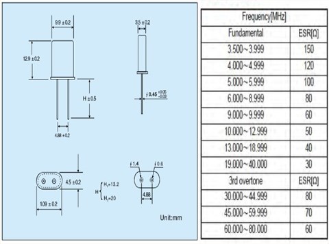
石英晶振,插件晶振,HC-49U晶振,外觀完全使用金屬材料封裝的,產品本身采用全自動石英晶體檢測儀,以及跌落,漏氣等苛刻實驗.產品本身具有高穩定性,高可靠性的石英晶體諧振器,焊接方面支持表面貼裝,外觀采用金屬封裝,具有充分的密封性能,晶振本身能確保其高可靠性.
晶振的真空封裝技術:是指石英晶振在真空封裝區域內進行封裝.1.防止外界氣體進入組件體內受到污染和增加應力的產生;2.使晶振組件在真空下電阻減??;3.氣密性高.此技術為研發及生產超小型、超薄型石英晶振必須攻克的關鍵技術之一
|
晶振規格 |
單位 |
HC-49U晶振頻率范圍 |
石英晶振基本條件 |
|
標準頻率 |
f_nom |
1.8432MHZ~200MHZ |
標準頻率 |
|
儲存溫度 |
T_stg |
-40°C ~ +85°C |
裸存 |
|
工作溫度 |
T_use |
-10°C ~ +70°C |
標準溫度 |
|
激勵功率 |
DL |
200μW Max. |
推薦:1μW ~ 100μW |
|
頻率公差 |
f_— l |
±50 × 10-6(標準), |
+25°C 對于超出標準的規格說明, |
|
頻率溫度特征 |
f_tem |
±30 × 10-6/-20°C ~ +70°C |
超出標準的規格請聯系我們. |
|
負載電容 |
CL |
8pF ,10PF,12PF,20PF |
不同負載電容要求,請聯系我們. |
|
串聯電阻(ESR) |
R1 |
如下表所示 |
-40°C — +85°C,DL = 100μW |
|
頻率老化 |
f_age |
±5 × 10-6/ year Max. |
+25°C,第一年 |
石英晶振各項注意事項:
晶振產品使用每種產品時,請在石英晶振規格說明或產品目錄規定使用條件下使用.因很多種晶振產品性能,以及材料有所不同,所以使用注意事項也有所不同,比如焊接模式,運輸模式,保存模式等等,都會有所差別.
晶振產品的設計和生產直到出廠,都會經過嚴格的測試檢測來滿足它的規格要求.通過嚴格的出廠前可靠性測試以提供高質量高的可靠性的石英晶振.但是為了石英晶振的品質和可靠性,必須在適當的條件下存儲,安 裝,運輸.請注意以下的注意事項并在最佳的條件下使用產品,我們將對于客戶按自己的判斷而使用石英晶振所導致的不良不負任何責任.
1:機械振動的影響
當晶振產品上存在任何給定沖擊或受到周期性機械振動時,比如:壓電揚聲器,壓電蜂鳴器,以及喇叭等,輸出頻率和幅度會受到影響.這種現象對通信器材通信質量有影響.盡管晶振產品設計可最小化這種機械振動的影響,我們推薦事先檢查并按照下列安裝指南進行操作.石英晶振,插件晶振,HC-49U晶振
2:PCB設計指導
(1) 理想情況下,機械蜂鳴器應安裝在一個獨立于石英晶體器件的PCB板上.如果您安裝在同一個PCB板上,最好使用余量或切割PCB.當應用于PCB板本身或PCB板體內部時,機械振動程度有所不同.建議遵照內部板體特性.
(2) 在設計時請參考相應的推薦封裝.
(3) 在使用焊料助焊劑時,按JIS標準(JIS C 60068-2-20/IEC 60,068-2-20).來使用.
(4) 請按JIS標準(JIS Z 3282, Pb 含量 1000ppm, 0.1wt% 或更少)來使用無鉛焊料.
存儲事項
(1) 在更高或更低溫度或高濕度環境下長時間保存晶振時,會影響頻率穩定性或焊接性.請在正常溫度和濕度環境下保存這些石英晶振產品,并在開封后盡可能進行安裝,以免長期儲藏.
正常溫度和濕度:
溫度:+15°C 至 +35°C,濕度 25 % RH 至 85 % RH(請參閱“測試點JIS C 60068-1 / IEC 60068-1的標準條件”章節內容).
(2) 請仔細處理內外盒與卷帶.外部壓力會導致卷帶受到損壞.


TXC晶振,貼片晶振,7B晶振,7B08070001晶振
TXC晶振,貼片晶振,7M晶振,7M-12.000MAHE-T晶振
TXC晶振,貼片晶振,7V晶振,7V-27.120MAAV-T晶振
Kyocera無線藍牙晶體,CX1612DB輕薄型晶振,CX1612DB48000D0FPJC1
ILSI超小型晶振,ILCX13-FB3F18-36.860000MHz,無線局域網晶振
艾爾西7050mm諧振器,ILCX04-HH5F18-45.000,汽車音響晶振
X系列石英振動子,Mmdcomp數字視頻晶振,X10CB1-26.000MHZ-T
X22-48.000-20-10-10W,MERCURY晶振,X22無源晶體,2520mm
6035mm,KX-12AE,Geyer格耶晶振,SMD石英晶體諧振器
32.768KHz,TZ1692A,4918mm,TST諧振器,SMD石英晶體