86-0755-27838351

頻率:125MHz
尺寸:5.0x3.2mm
DSC1025BI1-125.0000,5032mm有源晶振,Microchip消費電子晶振,美國Microchip晶振,型號:DSC1025系列,編碼為:DSC1025BI1-125.0000,頻率:125MHz,工作電壓:2.5V,工作溫度范圍:-40℃至+85℃,頻率穩定性:±50ppm,小體積晶振尺寸:5.0x3.2mm封裝,四腳貼片晶振,低功耗CMOS振蕩器,有源晶振,石英晶體振蕩器,具有超小型,輕薄型,高品質,高性能,耐熱及耐環境等特點。應用程序:移動應用程序,消費類電子產品,便攜式電子產品,VTR攝像機的CCD時鐘,低配置文件應用程序,工業應用等。
石英晶振DSC1025是一個2.5V固定頻率MEMS基于純硅™振蕩器。它可以被工廠編程到從1到150MHz的任何頻率。DSC1025包含了一個全硅諧振器,它非常堅固,幾乎不受應力相關裂縫的影響,這是晶體振蕩器常見的。在不犧牲當今系統所需的性能和穩定性的情況下,無晶體設計允許更高水平的可靠性,使DSC1025非常適合堅固、工業和便攜式應用,其中應力、沖擊和振動可能會損害基于石英晶體的系統。
DSC1025BI1-125.0000,5032mm有源晶振,Microchip消費電子晶振,參數表
| 品牌 | Microchip晶振 |
| 型號 | DSC1025 |
| 物料編碼 |
DSC1025BI1-125.0000 |
| 頻率 |
125MHz |
| 頻率穩定性 |
±50ppm |
| 輸出 | CMOS |
| 電源電壓 | 2.5V |
| 工作溫度 |
-40℃至+85℃ |
| 尺寸 |
5.0x3.2mm |
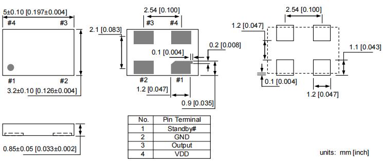
DSC1025BI1-125.0000,5032mm有源晶振,Microchip消費電子晶振,尺寸圖
| 原廠代碼 | 進口貼片晶振 | 型號 | 頻率 | 電壓 |
| DSC1028DI2-019.2000 | Microchip晶振 | DSC1028 | 19.2MHz | 2.8V |
| DSC1028CI2-026.0000T | Microchip晶振 | DSC1028 | 26MHz | 2.8V |
| DSC1025BC2-133.0000 | Microchip晶振 | DSC1025 | 133MHz | 2.5V |
| DSC1028DI2-019.2000T | Microchip晶振 | DSC1028 | 19.2MHz | 2.8V |
| DSC1025BI1-125.0000 | Microchip晶振 | DSC1025 | 125MHz | 2.5V |
| DSC1025BI2-133.0000T | Microchip晶振 | DSC1025 | 133MHz | 2.5V |
| DSC1025BC2-133.0000T | Microchip晶振 | DSC1025 | 133MHz | 2.5V |
| DSC1025DI2-025.0000T | Microchip晶振 | DSC1025 | 25MHz | 2.5V |
| DSC1028BI2-024.0000T | Microchip晶振 | DSC1028 | 24MHz | 2.8V |
| DSC1028CI2-024.0000T | Microchip晶振 | DSC1028 | 24MHz | 2.8V |
| DSC1025BI2-133.0000 | Microchip晶振 | DSC1025 | 133MHz | 2.5V |
| DSC1028CI2-024.0000 | Microchip晶振 | DSC1028 | 24MHz | 2.8V |
| DSC1025DE2-024.0000T | Microchip晶振 | DSC1025 | 24MHz | 2.5V |
| DSC1025DE2-024.0000 | Microchip晶振 | DSC1025 | 24MHz | 2.5V |



電話:+86-0755-278383514
手機:138-2330-0879
QQ:632862232
地址:廣東深圳市寶安寶安大道東95號浙商銀行大廈1905