86-0755-27838351

頻率:8MHz至52MHz
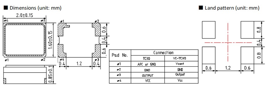
尺寸:2.0x1.6x0.85mm
BXT-201(V),TCXO,2016mm,LiHom有源晶振,GPS模塊晶振,韓國進口晶振,Lihom力宏晶振,型號:BXT-201(V)系列晶振,頻率范圍:8MHz至52MHz,電源電壓:+1.7V~+3.3V。工作溫度范圍:-30℃至+85℃,小體積晶振尺寸:2.0x1.6x0.85mm,四腳貼片晶振,TCXO溫補晶體振蕩器,溫補晶振,有源晶振,石英晶振,熱敏晶振,石英晶體振蕩器,2016晶振,SMD晶振。具有超小型,輕薄型,低抖動,低功耗,低相位噪聲,低電壓,低耗能,低損耗等特點。應用程序:蜂窩電話(GSM、CDMA和WCDMA),GPS模塊晶振,WIBRO、DMB、PDA,中繼器等。
BXT-201(V),TCXO,2016mm,LiHom有源晶振,GPS模塊晶振,產品特點:
-2.0 x 1.6 x 0.85(最大)mm表面安裝石英晶體單元
-帶有熱敏電阻,石英晶體振蕩器
-優異的可靠性特性,如熱和機械沖擊
-不含鉛且滿足RoHs要求
-可進行回流焊接
BXT-201(V),TCXO,2016mm,LiHom有源晶振,GPS模塊晶振,參數表
For Cellular
For GPS
Output Frequency
8.0 MHz ~ 52.0 MHz
8.0 MHz ~ 52.0 MHz
Supply Voltage
DC +1.7V ~ +3.3V
DC +1.7V ~ +3.3V
Output Level (10k?//10pF)
0.8 Vp-pmin.
0.8 Vp-pmin.
Current Consumption
1.5 mA Max. (Below 32 MHz)
2.0 mA Max. (Above 32 MHz)
1.5 mA Max. (Below 32 MHz)
2.0 mA Max. (Above 32 MHz)
Operating Temperature Range
-30’C ~ +85’C
-30’C ~ +85’C
Storage Temperature Range
-40’C ~ +85’C
-40’C ~ +85’C
Frequency Stability
vs. Temperature (Refer to 25’C)
±1.0, ±2.0 ppm Max.
±0.5 ppm Max.
vs. Supply Voltage (±5%)
±0.1 ppm Max.
±0.1 ppm Max.
vs. Load (10k?//10pF)
±0.1 ppm Max.
±0.1 ppm Max.
vs. Aging (per 1 year)
±1.0 ppm Max.
±1.0 ppm Max.
Frequency Tolerance (Initial at 25’C)
±1.0 ppm Max.
±1.0 ppm Max.
Frequency Tolerance (After Reflow)
±1.0 ppm Max.
±1.0 ppm Max.
AFC characteristics
Specify
Specify
Harmonics
-8 dBc Max.
-8 dBc Max.
Frequency Slope
at -20 ~ 65’C
±0.1 ppm/’C Max.
±0.05 ppm/’C Max.
at -30 ~ 85’C
±0.2 ppm/’C Max.
±0.1 ppm/’C Max.
BXT-201(V),TCXO,2016mm,LiHom有源晶振,GPS模塊晶振,尺寸圖



電話:+86-0755-278383514
手機:138-2330-0879
QQ:632862232
地址:廣東深圳市寶安寶安大道東95號浙商銀行大廈1905