86-0755-27838351

頻率:8MHz~100MHz
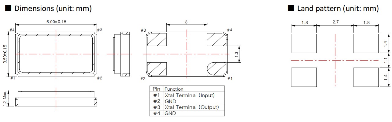
尺寸:6.0x3.5x1.2mm
6035mm,BMC-60,lihom數字電子晶振,石英晶體諧振器,韓國進口晶振,Lihom力宏晶振,lihomCrystal,型號:BMC-60,小體積晶振尺寸:6.0x3.5x1.2mm,表面安裝的石英晶體單位,頻率范圍:8MHz~100MHz,四腳貼片晶振,石英晶體諧振器,6035晶振,SMD晶體,無源晶振,石英晶振,無鉛環保晶振。具有優異的可靠性特性,如熱沖擊和機械沖擊等,超小型,輕薄型,高精度,高性能,高品質,耐熱及耐環境等特點。不含鉛且滿足RoHs要求,可進行回流焊接。貼片晶振,應用于:數字電子產品、消費電子、汽車電子設備,移動通信,藍牙,無線局域網,小型便捷式設備,智能手機,平板電腦,智能穿戴設備,數碼電子等應用。
6035mm,BMC-60,lihom數字電子晶振,石英晶體諧振器,參數表
Frequency range
8~100 MHz
Overtone Order
Fundamental, 3rd overtone
Frequency tolerance at 25℃
±10, ±15, ±20, ±30, ±50 ppm
Operating temperature range and frequency stability
See Table 1
Equivalent series resistance
See Table 2
Shunt capacitance
5 pF Max or specify
Load capacitance
Series, 8, 16, 20 pF or specify
Drive level (Max.)
10, 100, 200 μW or specify
Insulation resistance
500MΩ Min. at DC 100V
Aging at 25℃
±3 ppm / year Max
Storage temperature range
-40 ~ +85 ℃ or -40 ~ +125 ℃
Measure instrument
S&A 250B system with PI circuit
6035mm,BMC-60,lihom數字電子晶振,石英晶體諧振器,尺寸圖
6035mm,BMC-60,lihom數字電子晶振,石英晶體諧振器
產品特點:
尺寸:6.0 x 3.5 x 1.2(最大)mm的表面安裝石英晶體單元
優異的可靠性特性,如熱和機械沖擊
不含鉛且滿足RoHs要求 石英晶振
可進行回流焊接。
應用程序:數字電子、消費品、移動通信、和汽車



電話:+86-0755-278383514
手機:138-2330-0879
QQ:632862232
地址:廣東深圳市寶安寶安大道東95號浙商銀行大廈1905