86-0755-27838351

頻率:100MHZ~700MHZ
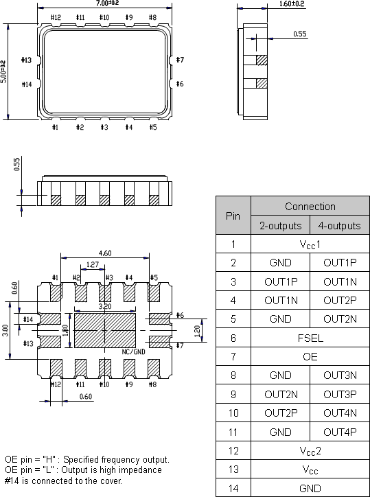
尺寸:7.0*5.0mm
愛普生晶振,MG7050EAN晶振,有源差分晶振
EPSON愛普生公司成立于1942年5月,總部位于日本長野縣諏訪市,是全球數一數二的晶振制造商,是數碼映像領域的全球領先企業.全稱為愛普生拓優科夢(Epson Toyocom)將進一步究極用精微加工發揮“石英”材料的優越性能的“QMEMS”技術,創造出體積更小,更高性能或全新功能的電子元器件.愛普生晶振在32.768KHZ,MHZ,以及GHZ上都有重大突破,使得愛普生拓優科夢的晶體元器件已以23%的市場占有率位于業界第一.主要產品系列:無源晶振,有源晶振,可編程晶振,SMD crystal,DIP crystal,石英晶體振蕩器,溫補晶振,壓控石英水晶振蕩子,VC-TCXO等等.獨創QMEMS技術,生產出更小更高性能和全新功能的晶振產品.全球晶振產品市場占有率最大.可編程晶振能適應各種客戶的獨特需求.由于其制造工藝處于世界頂尖水平,價格也是相對于其他平牌要高.被廣泛的應用于各類計量儀表,醫療電子設備,汽車電子和各類高端消費類電子產品.
2010年晶振全球廠家排名中,在占據首位.愛普生僅此一項水晶振動子行業就能足矣讓電子世界的人都敬佩不已.愛普生晶振以32.768K晶振稱霸晶振行業,主要消費在手機,PCB,等電子產品.同時愛普生以提供原子鐘的精準振蕩器知名業界. 僅此在音叉振子和振蕩器還達不到愛普生本身的要求.他們要求的是在元器件占領 NO1.因此除了KHZ,MHZ的研究發展,另外還發明GHZ技術,使工藝技術達到人無完人,史前無例,實現以基波方式產生2.5GHZ為止高頻的表面聲波(SAW)元器件.
愛普生晶振,MG7050EAN晶振,有源差分晶振
全套日本愛普生晶振生產設備,全自動封膠點焊,網絡系統自動分頻檢測設備,SMD全套現代化生產線.貼片晶振,全套材料采用日本進口,日本電波NDK晶振原廠供應晶片材料,采用KYOCER CRYSTAL京瓷晶振外殼基座.主要生產:石英晶振,貼片晶振,有源晶振,石英晶體諧振器,石英晶體振蕩器,32.768K鐘表晶振,陶瓷霧化片,晶振,諧振器,等產品.并且代理日本進口晶振,愛普生晶振,KDS晶振,精工晶振,京瓷晶振,NDK晶振,村田晶振等多家日本一線品牌.與我國臺灣,TXC晶振,鴻星晶振,希華晶振,加高晶振等品牌成為戰略合作伙伴.
在2018年與多個歐美晶振品牌簽訂代銷代理同盟合作關系:ECS晶振,Abracon晶振,CTS晶振,JAUCH晶振,的多個有源晶振進口品牌合作關系,主要以車規晶振,工業級晶振,差分晶振,差分晶體振蕩器,進口差分晶振,軍工晶體為主打.優質的品質:高頻,高穩,高溫,高質量,小尺寸,低相噪,低抖動,低能耗,低損耗,低功率,底電源電壓等優勢的進口差分晶振.是國內最早采用SMD全自動化生產企業,并且2005年在贛州地區信豐工業園自購土地興建現代化生產廠房,實至名歸晶振廠家高新企業,產品60%用于出口.主要以數碼產品,智能穿戴,家居智能化,汽車電子,醫療設備,手機導航等產品為主要客戶源.康華爾電子-以品質求生存,完善的工藝,先進的設備,服務市場,服務客戶.
| 項目 | 符號 | 規格說明 | 條件 | ||
|---|---|---|---|---|---|
| 輸出頻率范圍 | f0 | 100MHz to 700MHz | 請聯系我們以便獲取其它可用頻率的相關信息 | ||
|
100MHz , 106.25MHz , 125MHz , 150MHz 156.25MHz , 200MHz , 212.5MHz , 250MHz 300MHz , 312.5MHz |
標準頻率 | ||||
| 電源電壓 | VCC | D : 2.5V ± 0.125V | C : 3.3V ± 0.33V | VCC1 and VCC2 need same voltage | |
| 儲存溫度 | T_stg | -55°C to +125°C | 作為單一產品存儲 | ||
| 工作溫度 | T_use |
A : 0°C to +70°C B : -20°C to +70°C D : -5°C to +85°C |
|||
| 頻率穩定度 *1 | f_tol |
J : ± 50 × 10-6 L : ±100 × 10-6 |
|||
| 功耗 | ICC |
75 mA Typ. 94 mA Max. |
80 mA Typ. 102 mA Max. |
2-輸出 |
OE = VCC L_ECL = 50Ω |
|
125 mA Typ. 170 mA Max. |
130 mA Typ. 184 mA Max. |
4-輸出 | |||
| 輸出禁用電流 | I_dis |
7mA Typ. 18mA Max. |
8mA Typ. 20mA Max. |
OE = GND | |
| 占空比 | SYM | 45% to 55% | 在輸出交叉點上 | ||
| 輸出電壓 | VOH | VCC - 1.025V to VCC - 0.88 V | DC 特征 | ||
| VOL | VCC - 1.81V to VCC - 1.62 V | ||||
|
輸出負載條件 |
L_ECL | 50Ω | 終止于 VCC - 2.0 V | ||
| 輸入電壓 | VIH | 70% VCC Min. | OE終端 和 FSEL終端 | ||
| VIL | 30% VCC Max. | ||||
| 上升/下降時間 | tr / tf |
200ps Typ. 400ps Max. |
20% ~ 80% ( VOH - VOL) | ||
| 振蕩啟動時間 | t_str |
5ms Typ. 10ms Max. |
在電源電壓最低時,所需時間為0秒 | ||
| 相位抖動 | tPJ | 0.17ps Typ. | 0.14ps Typ. | f0 = 100MHz |
抵消頻率: 12kHz to 20MHz |
| 0.16ps Typ. | 0.13ps Typ. | f0 = 125MHz | |||
| 0.15ps Typ. | 0.12ps Typ. | f0 = 156.25MHz | |||
| 0.13ps Typ. | 0.11ps Typ. | f0 = 212.5MHz | |||
| 0.11ps Typ. | 0.10ps Typ. | f0 = 312.5MHz | |||
| 0.05ps Typ. | 0.05ps Typ. | f0 = 700MHz | |||
| 0.3ps Max. | |||||
| 變形 | t_skew |
20ps Typ. 50ps Max. |
FSEL = H | ||
| 頻率老化 | f_aging | N : ± 10 × 10-6 / year Max. | 第一年 |
+25°C, VCC = 2.5V , 3.3V |
|
| A : 頻率穩定度包含 *2 | 10 年 | ||||



電話:+86-0755-278383514
手機:138-2330-0879
QQ:632862232
地址:廣東深圳市寶安寶安大道東95號浙商銀行大廈1905