86-0755-27838351

頻率:6.4~40MHZ
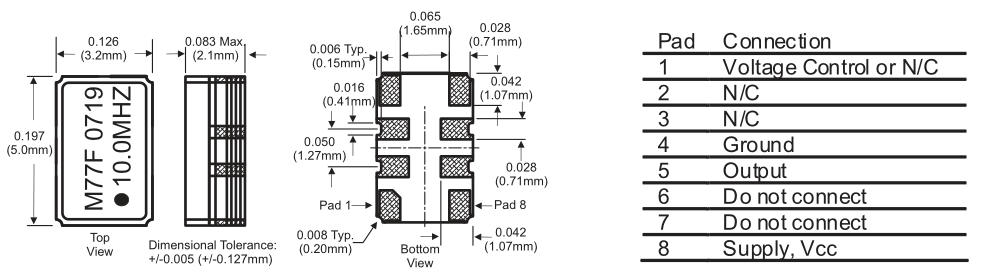
尺寸:5.0*3.2mm
ConnorWinfield晶振,M77F-010.0M晶振,溫補晶振
Connor- winfield康納溫菲爾德晶振公司成立于1963年,主要以生產石英晶體振蕩器,恒溫晶振,溫補晶振等有源晶振而聞名,所銷出在市場上產品均受到廣泛使用,如電信,網絡基站,微處理器和電子設備等各種領域。康納溫菲爾德晶振已歷經50多年的豐富經驗,攢夠了足夠的經驗及人脈,更好的研發出滿足市場上的產品。
Connor-Winfield(康納溫菲爾德)作為領先的美國振蕩器和定時產品制造商,以持續創新為宗旨,不斷為市場提供基于晶體和非晶體的新型振蕩器產品。如貼片晶振,石英晶振,貼片晶振,恒溫晶振,溫補晶振,壓控晶振等晶體器件。康納溫菲爾德晶振公司在1963年公司成立后,主要專注于設計和制造基于石英的計時電路和振蕩器,壓電石英晶體、有源晶體、壓電陶瓷諧振器,用于廣泛的電子應用.在20世紀90年代,connorwinfield擴展到其他產品領域,同時繼續專注于其核心的時間根源.
康納溫菲爾德晶振公司為廣泛的應用程序提供各種石英晶振,貼片晶振,石英晶體振蕩器等水晶產品.標準晶體具有低老化、低串聯電阻、基本或三次超調模式,且符合RoHS的要求,生產的各種石英晶體振蕩器均具備低電壓,低抖動等特點,并向市場推出大量的優秀產品,如編碼V802-100.0M晶振,并有多種電壓可供應,1.8V~5V等。具備高穩定性,低抖動,低功耗,主要應用領域:無線通訊,高端智能手機,平板筆記本WLAN,藍牙,數碼相機,和其他產品的晶振應用,三態功能,PC和LCDM等高端數碼領域,符合RoHS/無鉛.
ConnorWinfield晶振,M77F-010.0M晶振,溫補晶振
輸出負載
建議將石英晶振輸出負載安裝在盡可能靠近晶體振蕩器的地方(在20 mm范圍之間).
未用輸入終端的處理
未用針腳可能會引起噪聲響應,從而導致非正常工作.同時,當P通道和N通道都處于打開時,電源功率消耗也會增加;因此,請將未用輸入終端連接到VCC 或GND.
熱影響
重復的溫度巨大變化可能會降低受損害的石英晶振產品特性,并導致塑料封裝里的線路擊穿.必須避免這種情況.
安裝方向
振蕩器的不正確安裝會導致故障以及崩潰,因此安裝時,請檢查安裝方向是否正確.
通電
不建議從中間電位和/或極快速通電,否則會導致無法產生振蕩和/或非正常工作.
自動安裝時的沖擊:
貼片晶振自動安裝和真空化引發的沖擊會破壞產品特性并影響這些產品.請設置安裝條件以盡可能將沖擊降至最低,并確保在安裝前未對晶振特性產生影響.條件改變時,請重新檢查安裝條件.同時,在安裝前后,請確保高性能石英晶體產品未撞擊機器或其他電路板等.
耐焊性:
有源晶振加熱包裝材料至+150°C以上會破壞產品特性或損害產品.如需在+150°C以上焊接石英晶振,建議使用有源SMD晶振產品.在下列回流條件下,對石英晶振產品甚至貼片晶振使用更高溫度,會破壞晶振特性.建議使用下列配置情況的回流條件.安裝這些貼片晶振之前,應檢查焊接溫度和時間.同時,在安裝條件更改的情況下,請再次進行檢查.如果需要焊接的晶振產品在下列配置條件下進行焊接,請聯系我們以獲取耐熱的相關信息.
電話:+86-0755-278383514
手機:138-2330-0879
QQ:632862232
地址:廣東深圳市寶安寶安大道東95號浙商銀行大廈1905