VCXO-7A晶振,VCXO壓控晶振,進口有源晶振,CORE晶振,高品質石英晶振,SMD貼片晶體,進口壓控振蕩器,CMOS輸出晶振,四腳貼片晶振,編碼型號為:VCXO-7A,頻率:40 MHz,頻率穩定為:±30ppm,電源電壓為:5V,工作溫度范圍:-10℃至+60℃,晶振體積尺寸為:7.0x5.0mm,進口貼片晶振,小型石英晶體振蕩器,科爾晶振,有源晶體振蕩器,貼片石英晶振,低抖動有源晶振,低相噪相控石英晶體,四腳SMD金屬面貼片晶振,具備高可靠的環保性能,符合ROHS標準,產品被廣泛應用于筆記本電腦晶振,數碼相機晶振等產品。
VCXO-7A晶振,VCXO壓控晶振,進口有源晶振,CORE晶振
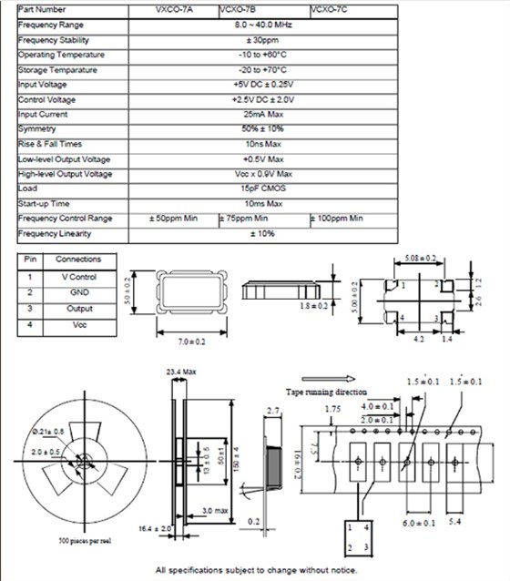
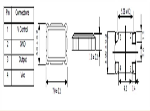
| 編碼型號 | 品牌 | 頻率 | 頻率穩定 | 電壓 | 工作溫度 | 尺寸 |
| VCXO-7A | CORE晶振 | 40 MHZ | 30ppm | 5V | -10℃至+60℃ | 7.0 x 5.0mm |
VCXO-7A晶振,VCXO壓控晶振,進口有源晶振,CORE晶振




愛普生晶振,貼片晶振,FC-135晶振,FC-135R晶振,Q13FC1350000400晶振
TXC晶振,貼片晶振,7B晶振,7B08070001晶振
TXC晶振,貼片晶振,7M晶振,7M-12.000MAHE-T晶振
TXC晶振,貼片晶振,7V晶振,7V-27.120MAAV-T晶振
ARGO雅士博晶振,AGXO-S7050晶振,石英晶振,有源晶振
AGTCO-ST5032晶體,ARGO電子,溫補石英晶振,有源晶體振蕩器
1XXB16368MAA晶振,DSB221SDN,溫補晶體振蕩器,2520石英晶振
數碼電子晶振,日本DSB211SDN晶振,TCXO石英晶振,1XXD16368MGA
1TJF080DP1AI00P,DST310S時鐘晶振,日本KDS大真空,3215貼片晶振
1XSE012000AR58,日本KDS晶振,3225有源貼片,DSO321SR,汽車多媒體設備晶振