伴隨信息化社會的進程,現在石英晶體諧振器器件已被廣泛應用于各種電子設備以及家電產品之中,日趨重要. 愛普生拓優科夢(Epson — yocom)將進一步究極用精微加工發揮“石英”材料的優越性能的“QMEMS”技術,創造出更小、更高性能或全新功能的元器件;同時,融合愛普生集團的半導體與軟件技術增添便于使用、能讓顧客更體驗到利用價值的“解決方案”.通過上述工作,我們將為社會的發展以及實現更舒暢的未來而竭誠奉獻.EPSON晶振,貼片晶振,MC-146晶振,石英貼片晶振
愛普生晶振集團環?;纠砟睿?.作為良好的企業市民,遵循本公司的行動方針,充分關心維護地球環境.遵守國內外的有關環保法規.2.保護自然環境,充分關注自然生態等方面的環境保護,維持和保全生物多樣性.3.有效利用資源和能源,認識到資源和能源的有限性,努力進行有效利用.4為構建循環型社會做出貢獻,致力于減少溫補晶振,石英晶體振蕩器, 壓電石英晶體元器件、壓電石英晶體、有源晶體、石英晶振,貼片晶振材料的廢棄物及廢棄物的再利用核再生循環,努力構建循環型社會.5.推進環保型業務,充分發揮綜合實力,推進石英晶振,貼片晶振環保型業務,為減輕社會的環境負荷做出貢獻.
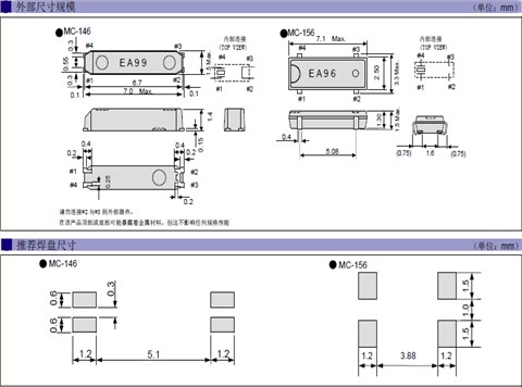
EPSON晶振,貼片晶振,MC-146晶振,石英貼片晶振,32.768K時鐘晶體具有小型,薄型,輕型的貼片晶振表面音叉型晶體諧振器,產品具有優良的耐熱性,耐環境特性,可發揮晶振優良的電氣特性,符合RoHS規定,滿足無鉛焊接的高溫回流溫度曲線要求,金屬外殼的封裝使得產品在封裝時能發揮比陶瓷諧振器外殼更好的耐沖擊性.特別適用于各種小巧的便攜式消費電子數碼產品,在移動通信領域得到了廣泛的應用,晶振產品本身可發揮優良的電氣特性,滿足無鉛焊接的高溫回流溫度曲線要求.
超小型、超低頻石英晶振晶片的邊緣處理技術:是超小型、超低頻石英晶振晶體元器件研發及生產必須解決的技術問題,為壓電石英晶體行業的技術難題之一。具體解決的辦法是使用高速倒邊方式,通過結合以往低速滾筒倒邊去除晶振晶片的邊緣效應,在實際操作中機器運動方式設計、滾筒的曲率半徑、滾筒的長短、使用的研磨砂的型號、多少、填充物種類及多少等各項設計必須合理,有一項不完善都會使石英晶振晶片的邊緣效應不能去除,而石英晶振晶片的諧振電阻過大,用在電路中Q值過小,從而電路不能振動或振動不穩定。
|
愛普生晶振規格 |
單位 |
MC-146晶振 |
石英晶振基本條件 |
|
標準頻率 |
f_nom |
32.768LKHZ/32~100KHZ |
標準頻率 |
|
儲存溫度 |
T_stg |
-55°C~+125°C |
裸存 |
|
工作溫度 |
T_use |
-40°C~+85°C |
標準溫度 |
|
激勵功率 |
DL |
1.0μW Max. |
推薦:1μW~100μW |
|
頻率公差 |
f_— l |
±20,±50× 10-6(標準) |
+25°C對于超出標準的規格說明, |
|
頻率溫度特征 |
f_tem |
-0.04 × 10-6/-20°C~+70°C |
超出標準的規格請聯系我們. |
|
負載電容 |
CL |
7,9,12.5pF |
超出標準說明,請聯系我們. |
|
抵抗電阻 |
R1 |
25~65KΩ Max |
|
|
頻率老化 |
f_age |
±3 ~±5× 10-6/ year Max. |
+25°C,第一年 |
這些晶振知識介紹是指,7050貼片石英晶振在產品上線之后發生不良品或者沒反應的情況下,自檢辦法。石英晶振如果在電路上的功能不規則或根本無法全部晶振找出得到了應用操作,請使用以下的清單找出可能存在的問題。請按照確定的因素和可能的解決方案的說明。我們從晶振使用輸出無信號開始尋找相關問題。EPSON晶振,貼片晶振,MC-146晶振,石英貼片晶振
我們可以先使用示波器或者頻率計數器來檢查石英晶體終端的兩個信號,如果沒有信號輸出,請按照步驟1-1到1-4步執行檢查。如果有從7015mm晶振(XOUT)的輸出端子的輸出信號,而是從在終端(辛)輸出沒有信號,請檢查石英晶振體以下step1-5到步驟1-6。
你可以先把晶體卸載下來并測試晶振的頻率和負載電容,看看他們是否能振動,也可以使用專業的石英晶體測試儀器來檢測 。如果你沒法檢測你也可以將不良品發送給我公司,我們檢測分析之后告訴你結果。如果有下列情況發生,7015mm貼片諧振器不起振,首先你先查看你產品上使用的負載電容CL是否對,是否跟你的線路相匹配,或者是晶振的精度是否符合你的要求,或者你可以把產品發送回我公司分析。如果晶振頻率和負載電容跟要求相對應的話,我們將需要進行等效電路測試。比如等效電路測試如下:





GEYER晶振,高性能石英晶體,KX-327L貼片晶振
ILSI晶振,石英晶體諧振器,IL3R高品質晶振
QANTEK晶振,高精度石英晶振,QTP7晶體
AEL晶振,石英晶體諧振器,PMX-145晶振
SUNTSU晶振,無源32.768K晶振,SWS614進口晶體
Transko晶振,石英貼片晶振,CS71晶體諧振器
Abracon晶振,耐高溫晶振,ABS13晶體
Jauch晶振,貼片石英晶振,SMQ32SN晶體
ECScrystal晶振,進口歐美晶振,ECX-71無源環保晶振
SUNNY晶振,32.768K貼片晶振,CS-146高質量晶體